Trevi Easybox slim thermostatic shower valve (A5878 A5959) Shower Spares
- Trevi A5878 A5959
- 7 spares listed
- Brand: Trevi
- SKU / MPN: Trevi A5878 A5959
- Categories: Trevi Shower Spares
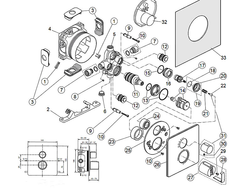
All available shower spares/replacement parts to fit the Trevi Easybox slim thermostatic shower valve (A5878 A5959).
Use the main diagram to identify the shower spare(s) you need to replace. Then use the table below to locate your relevant part(s).
Not what you're looking for? Try our unique Shower Spares Finder.
Need any help identifying the fault with your shower? Take a look at our handy Fault Finder page.
Otherwise please feel free to contact us.
-
There are 7 currently available spares for the Trevi Easybox slim thermostatic shower valve (A5878 A5959).
These are sorted by diagram reference first (if available) and then by product code in numerical / alphabetical order:
£65.40 Add to Basket -
Do you have a question about the Trevi Easybox slim thermostatic shower valve (A5878 A5959)?
Click the button below to send a question to one of our expert members of staff and we will email you back a direct response. If we feel the information might be useful to other customers, we will also show your question below for others to see.
Voted No. 1 in Bathroom
